
齒輪傳動實驗臺構造簡圖,機械系統綜合搭接平臺有哪些功能
-蝸輪蝸桿傳動還設定有構造緊湊、傳動平穩、噪音小等優點。蝸輪蝸桿傳動的構造相對簡便,占用空間小,適用來空間有限的場合。-由于蝸桿和蝸輪之間的接觸是線接觸,傳動平穩,沖擊和振動小,噪音也相對較低。
在機械工程領域,齒輪傳動是完成動力傳遞和動作變換的關鍵集合套件。封閉式齒輪傳動實驗臺作為一種模仿實際工況的測量試驗設備,其效率測量試驗對于齒輪設計、制造和維護設定有重要意義。-將從人稱視角,深入探討封閉式齒輪傳動實驗臺效率測量試驗的原理。
機械系統含有概括創新集合及綜合測量試驗功能數值解析實驗臺的研發,不僅提升了我們的測量試驗能力,也為機械系統的研發提供了強有力的支持。-我們將繼續優化實驗臺的功能,拓展其應用領域,以適用更廣泛的工業測量試驗需求。
在深入學習掌控把握掌控把握了機械原理的課程課程理論知識后,我參與了機構搭接實驗。這次實驗不僅是對課程課程理論知識的實踐檢驗,更是對我動手能力和創新思維的一次鍛煉。經過親手搭建各種機構,我深刻體會到了機械設計的精妙之處,也對機械原理有了更加直觀和深入的理解。
-我還具備強大的數值處置整理能力。經過先進的算法,我可以將收集到的原始數值轉化為有用的信息,幫助工程師們實行深入的數值解析。這不僅提升了測量試驗的效率,也為機械系統的優化提供了科學依據。我的數值處置整理系統還能夠與現有的CAD/CAM系統無縫對接,完成設計和測量試驗的閉環反饋。
在實際工程應用中,齒輪傳動效率的計算還需要考慮到齒輪的制造和裝配精確度。齒輪的制造誤差和裝配誤差會導致齒輪嚙合不平均,從而影響傳動效率。為了提升齒輪傳動的效率,我們需要應用高精確度的制造工序技藝和嚴格的重量(kg)控制標準。
封閉式齒輪傳動效率實驗臺能夠在嚴格控制的環境條件下,對齒輪傳動的效率實行測量。經過測量寫入功率(W)(W)、輸出功率(W)(W)、轉動速度、扭矩等關鍵功能數值,我們可以計算出齒輪傳動的效率,并據此評估不一樣設計功能數值對傳動效率的影響。這些準確的實驗數值為我們優化齒輪設計、提升傳動效率提供了有力的支持。
-蝸桿傳動還設定有良好的自鎖功能。當蝸桿的螺旋升角小于3-6度時,蝸輪蝸桿傳動就具備了自鎖功能。這種自鎖功能讓得蝸桿傳動在傳遞動力時能夠保持定位,防止因外部因素導致的反向轉動。這一特別點在需要保證定位精確度和防止倒轉的場合下尤為重要。
經過這次實驗,我深刻體會到了機械設計的復雜性和挑戰性。機械設計不僅需要深厚的課程課程理論基礎和廣泛的知識,還需要豐富的實踐經驗和創新思維。在實驗中,我不僅鞏固了所學的課程課程理論知識,還提升了自己的動手能力和解決問題的能力。-我也認識到了自己在機械設計方面的不足和需要改進的地方。
經過這次齒輪傳動實驗臺的實踐探索之旅,我不僅深入了對齒輪傳動特性的理解,還提升了自己的動手能力和解決問題的能力。我相信這些寶貴的經驗和技能將在我未來的學習掌控把握掌控把握和作業中發揮重要作用。-我也深刻體會到機械傳動在現代工業中的重要性以及作為一名機械工程師所肩負的責任和使命。我將繼續努力學習掌控把握掌控把握和探索機械傳動的奧秘,為推動我國機械工業的發展貢獻自己的力量。
蝸桿齒輪傳動原理,機械裝配與調動測量試驗實驗平臺多少錢合適呢啊

在搭建完成后,對系統實行了調動測量試驗和測量試驗。-查驗了各個部位件的連接情況和緊固件的緊固度,保證系統的牢固性。然后,對系統實行了空載試運行,查看了系統的運行情況和動作軌跡是否符合設計要求。,在系統中載入了一定的負載,測量試驗了系統的承載能力和平穩性。
在當今快速發展的工業領域,機械系統含有概括創新已成為推動技術進步的關鍵力量。作為一名工程師,我有幸參與到一項令人興奮的項目中——機械系統含有概括創新集合及綜合測量試驗功能數值解析實驗臺的組建與測量試驗。-將從我的視角出發,詳細闡述實驗臺的設計理念、組建過程以及測量試驗功能數值的解析方法。
執行機構是我完成具體任務的關鍵,含有概括機械臂、夾具、刀具等。它們按照控制系統的指令,地執行各種復雜的動作,如搬運、裝配、加工等。
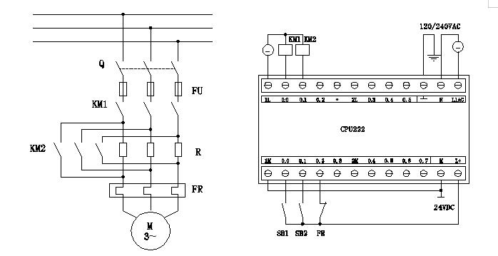
-我仔細查看了實驗臺上的各個部位件。齒輪傳動實驗臺主要應用驅動電機、減慢速度器、傳動軸、齒輪組以及測量系統包括。每一個部位件全部經過精密加工,以保證傳動的準確性。我輕輕轉動傳動軸,感受著齒輪間的咬合與轉動,心中對即將實行的實驗充滿了期待。
在計算傳動效率時,我們應用了課程課程理論公式實行計算。-由于實際傳動過程中存在各種復雜因素,課程課程理論公式可能無法完全準確地描述實際傳動過程,從而導致計算誤差的產生。
封閉式齒輪傳動效率實驗臺作為一種先進的科研設備,還為我們提供了技術交流ACAC與合作的機會。經過與其他科研機構和企業的合作與交流ACAC,我們可以共享實驗數值和研究成果,一起合作推動齒輪傳動技術的進步。-實驗臺還可以作為展示企業技術實力和創新能力的重要窗口,吸引更多的合作伙伴和客戶。
?。?)動力模型塊:選用了電機作為動力源,設定有效率高、控制便利等優點。按照系統所需的功率(W)(W)和轉動速度,選用了合適型號的電機。
-蝸輪蝸桿傳動還存在發熱量大、易磨損等問題。由于蝸桿和蝸輪之間的摩擦損失較大,容易產生熱量,導致溫度(℃)(℃)升高。-長期運行后,蝸桿和蝸輪之間的磨損也會加劇,影響傳動功能和壽命。
在搭建四桿機構時,我首先按照給定的尺寸和功能數值,選用了合適的桿件和連接件。經過調動桿件的長度和連接件的位置,我成功搭建出了多種不一樣類型的四桿機構,如雙搖桿機構、曲柄搖桿機構和雙曲柄機構。在搭建中,我仔細查看了機構的動作情況,并記錄了相關數值。經過對數值的解析,我深入理解了四桿機構的動作特性和作業原理。
作為一名工程師,我深知在齒輪傳動功能測量試驗中,的測量和嚴謹的解析是至關重要的。只有經過不斷的實驗和改進,我們才能設計出更加高效、可靠的齒輪傳動系統,為機械工程領域的發展做出貢獻。
簡述閉式齒輪傳動的效率測量試驗原理,機械動作方案創新設計實驗-
測量試驗機械系統的功能:搭接實驗不僅可以檢驗設計方案的可行性,還可以測量試驗機械系統的功能指標,如動作精確度、動作速度、動作平穩性等。這些功能指標是評價機械系統功能的重要依據,經過實驗測量試驗,我們可以理解機械系統的實際功能表現,為后續的優化和改進提供數值支持。

-本次實驗還讓我更深入入地理解了機械原理的課程課程理論知識,并將其應用來實際問題中。這種課程課程理論與實踐相集合的學習掌控把握掌控把握方法讓我受益匪淺,也讓我更加堅定了自己從事機械領域作業的決心和信心。
在設備研發階段,封閉式齒輪傳動效率實驗臺可以幫助工程師們檢驗設計方案的可行性和有效性。經過在實際作業條件下的模仿測量試驗,工程師們可以及時發現設計中的問題和不足,并實行針對性的改進。這不僅可以提升設備的傳動效率,還可以降低生產成本和維修成本,提升設備的市場競爭力。
在選用傳動方法時,應按照具體工況和要求綜合考慮傳動效率、承載能力、傳動比和噪聲等因素;對于齒輪傳動,可經過優化齒形設計、提升加工精確度和使用低噪聲潤滑油等措施來降低傳動噪聲;
齒輪蝸桿傳動是一種常見的機械傳動方法,其傳動效率是衡量傳動功能的重要指標。本實驗應用扭矩傳感器、轉動速度傳感器等測量設備,經過測量寫入扭矩、寫入轉動速度、輸出扭矩和輸出轉動速度等功能數值,計算得出傳動效率。實驗中,我們嚴格按照實驗步驟實行實操,保證數值的準確性和可靠性。
經過實驗成果的解析,我發現我的設計方案在實際應用中取得了良好的效果。機構能夠按照預定的軌跡和速度實行動作,而而且傳動效率較高、動作平穩、噪聲較小。這些成果不僅檢驗了我的設計方案的正確性和可行性,也為我今后從事機械設計作業提供了寶貴的經驗和參考。
經過對比齒輪傳動和蝸桿傳動的實驗數值,我們發現齒輪傳動的傳動效率普遍高于蝸桿傳動。這主要是因為齒輪傳動的嚙合方法更加緊密,摩擦損失較小,而蝸桿傳動由于存在滑動摩擦和彎曲變形等因素,傳動效率相對較低。具體數值如下表所示:
間歇動作機構是機械中常用的一種機構形式,它能夠完成周期性的間歇動作。在搭建間歇動作機構時,我選用了棘輪機構和槽輪機構兩種形式實行嘗試。經過精心設計和調動測量試驗,我成功搭建出了能夠平穩作業的間歇動作機構。在測量試驗中,我仔細查看了機構的動作情況,并記錄了相關數值。經過對數值的解析,我深入理解了間歇動作機構的作業原理和動作特性。
-齒輪的潤滑也是影響傳動效率的一個重要因素。良好的潤滑可以減少齒輪表面的摩擦和磨損,從而提升傳動效率。-潤滑劑的選用和潤滑方法也需要按照齒輪的作業條件來確定。-在高速或高溫的作業環境下,可能需要使用設定有更高粘度的潤滑劑。
封閉式齒輪傳動效率實驗臺是機械工程實驗教學的重要設備之一。經過實驗教學,學生可以直觀地理解齒輪傳動的作業原理和效率計算方法,掌控把握實驗技能和數值解析方法。-實驗臺還可以作為學生課程設計、畢業設計等實踐環節的輔助工量具,幫助學生將課程課程理論知識與實際應用相集合。
齒輪傳動試驗臺設計本科畢業設計手冊,機構創新設計及搭建實驗
-蝸輪蝸桿傳動也存在一些不容忽視的缺點。-蝸輪蝸桿傳動的傳動效率較低。由于蝸桿和蝸輪之間的摩擦損失較大,而而且存在滑動摩擦,導致蝸輪蝸桿傳動的傳動效率相對較低。這意味著在傳遞相同功率(W)(W)的情況下,蝸輪蝸桿傳動需要消耗更多的能量,這對于能源運用和節能降耗是不利的。
?。?)材料選用的正確性:在材料選用方面,我充分考慮了材料的功能和使用環境的要求。所選材料設定有良好的機械功能和耐磨損損性,能夠適用系統的使用要求。

搭建實驗平臺:將電機、減慢速度器、齒輪傳動裝置或蝸桿傳動裝置依次連接,并裝配扭矩傳感器、轉動速度傳感器和噪聲測量儀;
在設計方案的細化中,我運用CAD系統實行了三維(3D)(3D)建模和擬真解析。經過不斷調動功能數值和優化設計,我保證了機構能夠按照預定的軌跡和速度實行動作。-我也對機構的關鍵部位件實行了強度解析和壽命預測,以保證機構在實際使用中的平穩性和可靠性。
在我參與的機械動作方案設計與搭接實驗中,我深刻體會到了這一環節的重要性和挑戰性。在設計中,我不斷思考如何運用所學知識創新設計思路,如何使機械系統更加高效、、可靠。-我也意識到了設計過程中需要綜合考慮多種因素,如經濟性、可維護性、環保性等。這些因素對于設計方案的實際應用設定有重要影響,需要我們在設計過程中予以充分考慮。
-經過對封閉式齒輪傳動實驗臺效率測量試驗原理的探討,展示了作為一名工程師在測量試驗過程中的思考和實踐實操。經過對實驗臺構造的理解、測量試驗原理的掌控把握、數值的收集與解析、影響效率因素的識別以及實驗臺的校準與維護,我能夠保證測量試驗成果的準確性和可靠性,為齒輪傳動技術的進步貢獻力量。
實驗開始前,我認真復習了機械原理的相關知識,含有概括機構的包括、分類、動作規律等。在明確了實驗目的和要求后,我開始了機構的搭接作業。
-平臺的核心部分是實驗臺。實驗臺是整個系統的基石,它應用了堅固耐用的鋁制型材作為實操實操操作面板,保證了實驗過程中的平穩性和安全性。實驗臺的設計充分考慮了人機工程學原理,使得實操者在實行實驗時能夠感到舒適與便捷。-實驗臺還設定有足夠的空間,可以容納多組學生實行實驗實操,從而提升了實驗教學的效率。
在機械設計領域,一個穩固而可靠的構造平臺底層基板是完成高效機械傳動系統的關鍵。我作為一名機械工程師,深知選用合適的底層基板對于整個機械系統功能的重要性。-將從人稱視角,探討幾種適合用來搭接機械傳動的構造平臺底層基板,并解析它們的特性和適用場景。
經過本次機械動作方案設計與搭接實驗我不僅掌控把握了機械動作的基礎原理和設計方法還提升了實際實操能力和問題解決能力。同時我也深刻認識到設計與實踐之間的緊密聯系以及團隊合作和交流ACAC的重要性。展望未來我將繼續深入學習掌控把握掌控把握機械工程領域的相關知識不斷提升自己的素養和實踐能力為未來的職業發展打下堅實的基礎。
答:可以的,我們是正規企業,并且已經升級到一般納稅人,可以開具增值稅專用發票,如果您需要開齒輪傳動實驗臺結構簡圖,機械系統綜合搭接平臺有哪些功能的發票,您需要提供開票資料。