plc教學實驗臺接線方法圖片大全集
時間:2025-11-02 23:41:23 點擊次數:
中人教儀廠

一、引言
可編程邏輯控制器(PLC)作為工業自動化范疇的中心設備,其教育試驗臺為初學者供給了學習掌控把握掌控把握掌控把握和實踐的重要渠道。把握PLC實驗臺的接線辦法,是深化學習掌控把握掌控把握掌控把握和運用PLC技術的要害一步。--將經過具體的圖片展示,全面簡介PLC實驗臺的接線辦法,幫助讀者直觀、明晰地理解每個步驟。
二、試驗臺基礎簡介與接線預備
PLC實驗臺一般由PLC主機、電源模型塊、寫入設備、輸出設備以及銜接實驗連接線等含有概括。在接線前,咱們需求預備好一切所需的設備和工量具,并保證它們處于良好的作業狀況。
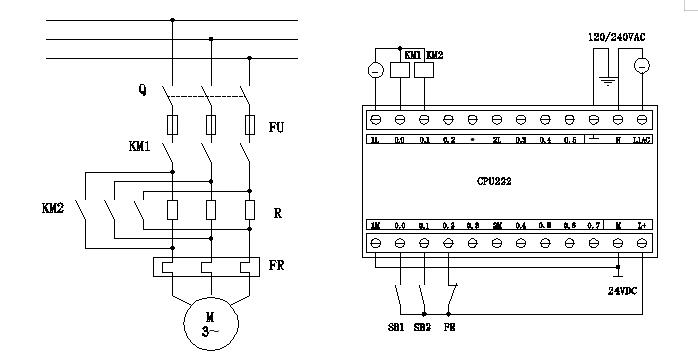
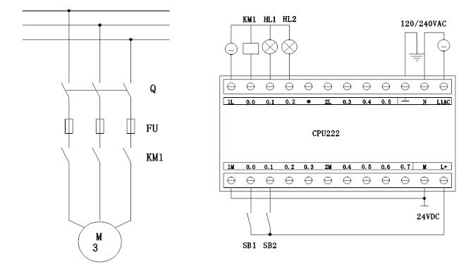
三、接線辦法具體圖解
電源接線
電源是試驗臺正常運行的根底。首要,將電源線的一端刺進電源插頭座,另一端銜接到試驗臺的電源模型塊。在接線時,要注意電源線的色彩標識,保證正確銜接到相應的正負極。

PLC主機接線
PLC主機是試驗臺的中心部分。將PLC主機放置在試驗臺上,并運用銜接線將其與電源模型塊銜接。一起,保證PLC主機的通訊連連連接口與計算機數值數值數值或其他設備的連連連接口相匹配,以便后續實行編程和調動測量試驗。

寫入設備接線
寫入設備用來向PLC供給控制信號。常見的寫入設備含有概括按鈕、開關和傳感器等。在接線時,咱們需求依據寫入設備的類型和標準,挑選合適的銜接線和端口實行銜接。保證銜接結實而而而且觸摸良好,以避免信號傳輸的干擾和差錯。

輸出設備接線
輸出設備用來執行PLC的控制指令。常見的輸出設備含有概括指示燈、電機和繼電器等。在接線時,相同需求依據輸出設備的類型和標準實行銜接。注意輸出設備的電源線和信號線的銜接方位,保證它們正確接入PLC主機的相應端口。
四、接線注意事項
在實行接線時,咱們需求注意以下幾點:
保證電源已封閉,避免在接線過程中產生電擊事故。
查看實驗連接線的重量(kg)(kg)和長度,保證它們符合試驗要求并設定有良好的導電功能。
在刺進實驗連接線時,要悄悄旋轉并略微用力,以保證實驗連接線與端口嚴密觸摸并固定結實。
在接線完成后,必須實行仔細查看,保證一切銜接全部正確無誤。一起,運用萬用表等工量具檢驗測量試驗電子線路的通斷性和正確性,保證試驗臺的安全平穩運行。
五、試驗與調動測量試驗
完成接線后,咱們能夠實行試驗與調動測量試驗。首要,經過PLC編程系統編寫控制程序,并將程序下載到PLC主機中。--給試驗臺上電并調查寫入設備和輸出設備的反響。依據試驗成果調動程序功能數值和接線方法,以到達預期的控制效果。
六、結語
經過--的具體圖解和簡介,信任讀者已經對PLC實驗臺的接線辦法有了明晰的知道。把握這些根本的接線技術對于初學者來說至關重要,它將為后續的PLC學習掌控把握掌控把握掌控把握和實踐打下堅實的根底。期望讀者能夠充分運用--供給的圖片大全集和實踐經驗,不斷提升自己的PLC運用水平。
常見問題:
1、如果我要購買plc教學實驗臺接線方法圖片大全集,PLC實驗臺,是否有安裝、培訓服務呢?
答:我們的設備如果沒有特別注明“不含安裝”“裸機價”“出廠”等字樣的,都是提供安裝、培訓服務的。
2、你們的plc教學實驗臺接線方法圖片大全集,PLC實驗臺是否能開增值稅專用發票?
答:可以的,我們是正規企業,并且已經升級到一般納稅人,可以開具增值稅專用發票,如果您需要開plc教學實驗臺接線方法圖片大全集,PLC實驗臺的發票,您需要提供開票資料。
3、你們的plc教學實驗臺接線方法圖片大全集,PLC實驗臺都是自己生產的嗎?都有什么產品資質?
答:我們公司是專業生產教學設備的企業,完全自主生產,并通過了最新版ISO9001認證,擁有多項專利與著作權。
本文來自網絡,不代表本站立場,圖片為參考圖片,轉載請注明出處:plc教學實驗臺接線方法圖片大全集,PLC實驗臺