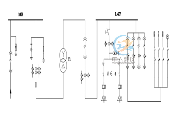
10KV工廠供配電實驗室設備
【通電實操型】通220V電供配電技術實訓裝置,10KV工廠供配電實驗室設備,適用于發電廠、變電站、電氣化鐵路變電站。咨詢熱線13122891392 ...
訂購熱線:021-66581511
中人教儀廠是專業生產10KV工廠供配電實驗室設備,通220V電供配電技術實訓裝置及配件的廠家,生產的10KV工廠供配電實驗室設備,通220V電供配電技術實訓裝置品質過硬,中人品牌在國內已經擁有幾百所院校客戶。
本文關鍵詞:10KV工廠供配電實驗室設備
ZRPD-01 10KV工廠供配電實驗室設備

1、微機監控主站系統詳細技術參數
主站臺尺寸:1220*1100*1100mm
應用范圍
通220V電供配電技術實訓裝置適用于發電廠、變電站、電氣化鐵路變電站。作為調度或當地監控與保護裝置聯系的樞紐,主要完成調度和保護裝置之間信息的交換、保護裝置各類信息的顯示。
當地計算機監控系統的任務是收集變電站的信息并實時存入數據庫,通過友好的人機界面和強大的數據處理能力實現站內就地監控功能,是整個系統與運行人員之間的接口。
計算機監控系統采用 Windows NT/Windows 2000 /Windows 2003 /WINDOWS XP 操作系統,網絡通信協議采用國際通信標準的TCP/IP協議,并采用分布式體系結構客戶/服務器模式,應用軟件平臺全面建立在開放的國際工業標準基礎上,應用層的開放能適于不同程度的拓展要求,為系統功能擴展和系統的互連提供了方便,并可根據用戶需求,選取各子系統進行靈活組態。
監控系統運行環境
在軟硬件的選擇上嚴格遵循可靠性、先進性、通用性和實用性的原則,系統的軟硬件
配置完全符合國際工業標準和國家電力工業標準,使得系統能夠緊密的跟蹤國際最新的硬
件設備和最新的軟件產品。
硬件平臺:基本配置為一臺商用 PC 機/工控機作為站級控制計算機。
軟件平臺:WINDOWS NT/WIN2000/WINDOWS XP作為操作系統,采用標準的 MS SQL SERVER 或其它支持 ODBC 的數據庫,與實時庫相結合,保證系統的實時性和開放性。
網絡環境:站級網絡采用成熟可靠的以太網絡,通訊協議選用標準的 TCP/IP 協議。支持光纖通訊網絡和雙總線網絡。
(一)基本參數
(1)供電電源:三相五線供電,50Hz;功率:500W;
(3) 尺寸:1220*1100*1100mm(長*寬*高);
(4) 重量:110kg
(5) 使用環境
工作溫度:-10℃~+50℃;
貯存溫度:-25℃~+70℃在極限值下不施加激勵量,裝置不出
現不可逆變化,溫度恢復后裝置應能正常工作;
大氣壓力:86~106kPa(相當于海拔高度2km及以下);
相對濕度:不大于95%,無凝露;
其它條件:周圍空氣中不應含有帶酸堿腐蝕或爆炸性的物質。
(二)實驗臺配置
1、計算機:DELL3010
2、惠普彩色打印機:HP CP1025
3、數據庫管理單元:CBZ-8000操作系統
4、;通訊管理機:NWJ-801A
5、后臺監控系統軟件:CBZ-8000后臺控制系統軟件
(三)實訓項目
監控系統通過遙測、遙信、遙控、遙調進行自動化控制。系統具有實時數據采集與數據處理等功能,并具有錄波分析功能:可實現錄波分析及波形打印功能。
1、保護裝置信息遙測值組態實驗;
2、各個負荷側遙測值測試實驗;
3、 電力系統負荷分布實驗;
4、保護裝置信息遙信值組態實驗;
5、合、分隔離刀閘主監控界面變化實驗;
6、遙控分、合閘主監控界面變化實驗;
7、SOE信息實驗;
8、事故發生的時間和測量值、故障錄波的波形實驗;
9、對各個開出點進行傳動實驗;
10、遙控分、合閘實驗;
11、事故和預告音響進行手動和自動復歸等實驗。
(四)技術指標
1)系統最大容量:遙測量不限;遙信量不限;遙控量不限。
2)模擬量測量準確度:
①交流電流、電壓量:0.2%;②直流電流、電壓量:0.2%;③功率、電度量:0.5%;④頻率:0.01Hz。
3)事件分辨率:《 1ms。 4)遙控動作成功率:100% 。
5)有實時數據的畫面整幅調出響應時間:①畫面調入:《2s;②數據刷新:《1s(可設定)。
6)數據處理速度:
①從數據采集到主站顯示:《1.5s;②遙調命令傳輸時間:《1s(可設定);③遙控命令選擇、執行或撤銷傳輸時間:《1s(可設定);④保護信息、時間記錄、超限記錄等,生存周期為一年。
7)系統可用率:99.99%。 8)平均無故障時間(MTBF):》4000h。
絕緣性能
絕緣電阻:裝置所有電路與外殼之間絕緣電阻在標準實驗條件下,不小于100MΩ。
介質強度:裝置所有電路與外殼的介質強度能耐受交流50Hz,電壓2KV(有效值),歷時1min試驗,而無絕緣擊穿或閃絡現象。當復查介質強度時,試驗電壓值為規定值的75%。
沖擊電壓:裝置的導電部分對外露的非導電金屬部分及外殼之間,在規定的試驗大氣條件下,能耐受幅值為5KV的標準雷電波短時沖擊檢驗。
抗干擾能力
1)裝置能承受GB/T14598.13規定的頻率為1MHz及100KHz衰減振蕩波(第一個半波電壓幅值共模為2.5KV,差模為1KV)脈沖干擾試驗;
2)裝置能承受GB/T14598.14規定的嚴酷等級為IV級的靜電放電干擾試驗;
3)裝置能承受GB/T14598.9規定的嚴酷等級為III級的輻射電磁場干擾試驗;
4)裝置能承受GB/T14598.10規定的嚴酷等級為IV級的快速瞬變干擾試驗。
機械性能
1)工作條件:裝置能承受嚴酷等級為1級的振動響應、沖擊響應檢驗;
2)運輸條件:裝置能承受嚴酷等級為1級的振動耐久、沖擊耐久及碰撞檢驗。
以太網端口
(1)速率:10M/100M自適應;(2)采用RJ45電氣接口。
RS-232端口
(1)速率:300、600、1200、2400、4800、9600;(2)光電隔離輸入輸出。
RS-485端口
(1)速率:300、600、1200、2400、4800、9600;(2)最大傳輸距離:1.2 km;
(3)光電隔離輸入輸出。
CANBUS端口
(1)速率:100K;(2)最大傳輸距離:5.0 km;(3)誤碼率:<10-19;(4)光電隔離輸入輸出。傳輸介質可選用雙絞線和光纖。
出口觸點
在電壓不超過250V,電流不超過0.5A,時間常數為5±0.75ms的直流有感回路中,裝置輸出觸點的斷開容量為50W,長期允許接通電流不超過5A。
(五)特點(工業級后臺監控系統)
1)完全的 32 位操作系統,運行于Windows NT/Windows 2000 /WINDOWS XP 操作系統。由于基于 32 位內存管理,系統可定義上萬個可控點及報警點。
2)開放式結構,系統采用標準的 ACCESS 數據庫格式、標準 SQL 訪問接口、ACTIVEX 網絡控件以及最低層的應用編程接口 API,這種開放式的設計結構使得系統可以與多種通用應用軟件和用戶應用程序相結合。
3)簡單靈活的網絡設計,系統采CLIENT/SERVER 及 BROWSER/SERVER 配置,系統可以靈活擴展并具有容錯能力。
4)對緊急事件的快速反應:本系統采用的高速網絡通信協議和事件驅動式的信息傳遞方式可保證系統在短時間內處理大量數據而不會產生瓶頸現象。
(六)功能配置
1)數據采集及處理功能:按電氣間隔分布配置或集中配置綜合測控終端;完成開關量、模擬量、脈沖量等信息的采集及處理。
2)控制操作功能:斷路器及刀閘的分合;變壓器分接頭調節;電壓無功控制。控制操作由站級工作站實現,也可以在各間隔層測控終端通過手動操作完成。
3)報警及事件記錄功能:將遙測越限、正常遙信變位、事故變位、SOE、保護信息、遙控記錄、操作記錄等信息集中統一管理,分類記錄并處理。
4)歷史記錄功能 :負責定期地將處理后的數據保留入歷史庫,以供趨勢分析、統計計算之用。
5)顯示打印功能:支持多窗口、分層顯示各種接線圖、地理圖、系統圖、曲線、潮流圖、事件列表、保護信息、報表、三維棒圖等。可人工、自動或定時打印各種報表、曲線、事件等。
6)故障錄波分析功能:定值召喚及設置,對系統采集的擾動數據處理保存,并進行波形顯示、故障分析、打印等。
7)電壓無功控制功能:按九區圖以手動或自動方式進行電壓無功控制(VQC)。
裝置系統結構
本系統為分層分布式結構,其在整個系統中所處的位置。
間隔層設備可分散安裝于一次設備附近,完成一次側設備對應的所有二次功能,也可以集中組屏安裝于控制室內。
2、10KV微機廠用變、電容器保護實訓屏詳細技術參數
屏體尺寸:800*600*2200mm 工業級柜體
微機廠用變保護裝置技術參數:
1 額定數據
a. 額定電源電壓: 直流或交流220V或直流110V (訂貨及使用時區分規格)
b. 額定交流數據:
交流電壓: 100/√3V, 100V
交流電流: 5A或1A (訂貨及使用時區分規格)
零序電流: 1A
額定頻率: 50Hz
c. 熱穩定性:
交流電壓回路:長期運行 1.2Un
交流電流回路:長期運行 2In
1s 40In
零序電流回路:長期運行 2A
1s 40A
2 裝置功耗
a. 交流電壓回路: 每相不大于0.5VA;
b. 交流電流回路: In=5A時每相不大于1VA;
In=1A時每相不大于0.5VA;
c. 零序電流回路: 不大于0.5VA;
d. 保護電源回路: 正常工作時,不大于12W;保護動作時,不大于15W。
3 環境條件
a. 環境溫度:
工作: -25℃~+55℃。
儲存: -25℃~+70℃,相對濕度不大于80%,周圍空氣中不含有酸性、堿性或其它腐蝕性及爆炸性氣體的防雨、防雪的室內;在極限值下不施加激勵量,裝置不出現不可逆轉的變化,溫度恢復后,裝置應能正常工作。
b. 相對濕度:最濕月的月平均最大相對濕度為90%,同時該月的月平均最低溫度為25℃且表面不凝露。最高溫度為+40℃時,平均最大濕度不超過50%。
c. 大氣壓力:80kPa~110kPa(相對海拔高度2km以下)。
4 抗干擾性能
a. 脈沖群干擾試驗:能承受GB/T14598.13-1998規定的頻率為1MHz及100kHz衰減振蕩波(第一半波電壓幅值共模為2.5kV,差模為1kV)脈沖群干擾試驗。
b. 快速瞬變干擾試驗:能承受GB/T14598.10-2007第四章規定的嚴酷等級為A級的快速瞬變干擾試驗。
c. 輻射電磁場干擾試驗:能承受GB/T14598.9-2002第四章規定的嚴酷等級的輻射電磁場干擾試驗。
d. 靜電放電試驗:能承受GB/T14598.14-1998中4.1規定的嚴酷等級為Ⅲ級的靜電放電試驗。
e. 電磁發射試驗:能承受GB/T14598.16-2002中4.1規定的傳導發射限值及4.2規定的輻射發射限值的電磁發射試驗。
f. 工頻磁場抗擾度試驗:能承受GB/T17626.8-2006第5章規定的嚴酷等級為Ⅳ級的工頻磁場抗擾度試驗。
g. 脈沖磁場抗擾度試驗:能承受GB/T17626.9-1998第5章規定的嚴酷等級為Ⅳ級的脈沖磁場抗擾度試驗。
h. 阻尼振蕩磁場抗擾度試驗:能承受GB/T17626.10-1998第5章規定的嚴酷等級為Ⅳ級的阻尼振蕩磁場抗擾度試驗。
i. 浪涌抗擾度試驗:能承受IEC 60255-22-5:2002第4章規定的嚴酷等級的浪涌抗擾度試驗。
j. 傳導騷擾的抗擾度試驗:能承受IEC 60255-22-6:2001第4章規定的射頻場感應的傳導騷擾的抗擾度試驗。
k. 工頻抗擾度試驗:能承受IEC 60255-22-7:2003第4章規定的工頻抗擾度試驗。
5 絕緣性能
a. 絕緣電阻:各帶電的導電電路分別對地(即外殼或外露的非帶電金屬零件)之間,交流回路和直流回路之間,交流電流回路和交流電壓回路之間,用開路電壓為500V的測試儀器測試其絕緣電阻值不應小于100MΩ。
b. 介質強度:裝置通信回路和24V等弱電輸入輸出端子對地能承受50Hz、500V(有效值)的交流電壓,歷時1min的檢驗無擊穿或閃絡現象;其余各帶電的導電電路分別對地(即外殼或外露的非帶電金屬零件)之間,交流回路和直流回路之間,交流電流回路和交流電壓回路之間,能承受50Hz、2kV(有效值)的交流電壓,歷時1min的檢驗無擊穿或閃絡現象。
c. 沖擊電壓:裝置通信回路和24V等弱電輸入輸出端子對地,能承受1kV(峰值)的標準雷電波沖擊檢驗;其余各帶電的導電端子分別對地,交流回路和直流回路之間,交流電流回路和交流電壓回路之間,能承受5kV(峰值)的標準雷電波沖擊檢驗。
6 機械性能
a. 振動響應:裝置能承受GB/T 11287-2000中4.2.1規定的嚴酷等級為I級振動響應檢驗。
b. 沖擊響應:裝置能承受GB/T 14537-1993中4.2.1規定的嚴酷等級為I級沖擊響應檢驗。
c. 振動耐久:裝置能承受GB/T 11287-2000中4.2.2規定的嚴酷等級為I級振動耐久檢驗。
d. 沖擊耐久:裝置能承受GB/T 14537-1993中4.2.2規定的嚴酷等級為I級沖擊耐久檢驗。
e. 碰撞:裝置能承受GB/T 14537-1993中4.3規定的嚴酷等級為I級碰撞檢驗。
7 保護定值整定范圍及誤差
a. 定值整定范圍
電 流: 0.1In~15In;
零序電流: 0.02A~12A;
交流電壓: 10V~100V;
延 時: 0s~100s。
b. 定值誤差
電 流: < ±5%;
電 壓: < ±5%;
零序電流: 0.02A~12A范圍不超過±0.01A或±5%;
延時誤差:0s~100s范圍內不超過50ms或±2%。
8 測量精度
a. 各模擬量的測量誤差不超過額定值的±0.5%;
b. 功率測量誤差不超過額定值的±1%;
c. 開關量輸入電壓(DC24V),分辨率不大于2ms;
d. 脈沖量輸入電壓(DC24V),脈沖寬度不小于20ms。
9 觸點容量
a. 在電壓不大于250V,電流不大于1A,時間常數為5ms±0.75ms的直流有感負荷電路中,觸點斷開容量為50W,長期允許通過電流不大于5A。
b. 在電壓不大于250V,電流不大于2A的交流回路(cosφ=0.4±0.1)中觸點斷開容量為250VA,長期允許通過電流不大于5A。
微機電容器保護技術參數
微機電容器保護裝置技術參數:
1 額定數據
a. 額定電源電壓: 直流或交流220V或直流110V (訂貨及使用時區分規格)
b. 額定交流數據:
交流電壓: 100/√3V, 100V
交流電流: 5A或1A (訂貨及使用時區分規格)
零序電流: 1A
額定頻率: 50Hz
c. 熱穩定性:
交流電壓回路:長期運行 1.2Un
交流電流回路:長期運行 2In
1s 40In
零序電流回路:長期運行 2A
1s 40A
2 裝置功耗
a. 交流電壓回路: 每相不大于0.5VA;
b. 交流電流回路: In=5A時每相不大于1VA;
In=1A時每相不大于0.5VA;
c. 零序電流回路: 不大于0.5VA;
d. 保護電源回路: 正常工作時,不大于12W;保護動作時,不大于15W。
3 環境條件
a. 環境溫度:
工作: -25℃~+55℃。
儲存: -25℃~+70℃,相對濕度不大于80%,周圍空氣中不含有酸性、堿性或其它腐蝕性及爆炸性氣體的防雨、防雪的室內;在極限值下不施加激勵量,裝置不出現不可逆轉的變化,溫度恢復后,裝置應能正常工作。
b. 相對濕度:最濕月的月平均最大相對濕度為90%,同時該月的月平均最低溫度為25℃且表面不凝露。最高溫度為+40℃時,平均最大濕度不超過50%。
c. 大氣壓力:80kPa~110kPa(相對海拔高度2km以下)。
4 抗干擾性能
a. 脈沖群干擾試驗:能承受GB/T14598.13-1998規定的頻率為1MHz及100kHz衰減振蕩波(第一半波電壓幅值共模為2.5kV,差模為1kV)脈沖群干擾試驗。
b. 快速瞬變干擾試驗:能承受GB/T14598.10-2007第四章規定的嚴酷等級為A級的快速瞬變干擾試驗。
c. 輻射電磁場干擾試驗:能承受GB/T14598.9-2002第四章規定的嚴酷等級的輻射電磁場干擾試驗。
d. 靜電放電試驗:能承受GB/T14598.14-1998中4.1規定的嚴酷等級為Ⅲ級的靜電放電試驗。
e.電磁發射試驗:能承受GB/T14598.16-2002中4.1規定的傳導發射限值及4.2規定的輻射發射限值的電磁發射試驗。
f. 工頻磁場抗擾度試驗:能承受GB/T17626.8-2006第5章規定的嚴酷等級為Ⅳ級的工頻磁場抗擾度試驗。
g. 脈沖磁場抗擾度試驗:能承受GB/T17626.9-1998第5章規定的嚴酷等級為Ⅳ級的脈沖磁場抗擾度試驗。
h. 阻尼振蕩磁場抗擾度試驗:能承受GB/T17626.10-1998第5章規定的嚴酷等級為Ⅳ級的阻尼振蕩磁場抗擾度試驗。
i. 浪涌抗擾度試驗:能承受IEC 60255-22-5:2002第4章規定的嚴酷等級的浪涌抗擾度試驗。
j. 傳導騷擾的抗擾度試驗:能承受IEC 60255-22-6:2001第4章規定的射頻場感應的傳導騷擾的抗擾度試驗。
k. 工頻抗擾度試驗:能承受IEC 60255-22-7:2003第4章規定的工頻抗擾度試驗。
5 絕緣性能
a. 絕緣電阻:各帶電的導電電路分別對地(即外殼或外露的非帶電金屬零件)之間,交流回路和直流回路之間,交流電流回路和交流電壓回路之間,用開路電壓為500V的測試儀器測試其絕緣電阻值不應小于100MΩ。
b.介質強度:裝置通信回路和24V等弱電輸入輸出端子對地能承受50Hz、500V(有效值)的交流電壓,歷時1min的檢驗無擊穿或閃絡現象;其余各帶電的導電電路分別對地(即外殼或外露的非帶電金屬零件)之間,交流回路和直流回路之間,交流電流回路和交流電壓回路之間,能承受50Hz、2kV(有效值)的交流電壓,歷時1min的檢驗無擊穿或閃絡現象。
c. 沖擊電壓:裝置通信回路和24V等弱電輸入輸出端子對地,能承受1kV(峰值)的標準雷電波沖擊檢驗;其余各帶電的導電端子分別對地,交流回路和直流回路之間,交流電流回路和交流電壓回路之間,能承受5kV(峰值)的標準雷電波沖擊檢驗。
6 機械性能
a. 振動響應:裝置能承受GB/T 11287-2000中4.2.1規定的嚴酷等級為I級振動響應檢驗。
b. 沖擊響應:裝置能承受GB/T 14537-1993中4.2.1規定的嚴酷等級為I級沖擊響應檢驗。
c. 振動耐久:裝置能承受GB/T 11287-2000中4.2.2規定的嚴酷等級為I級振動耐久檢驗。
d. 沖擊耐久:裝置能承受GB/T 14537-1993中4.2.2規定的嚴酷等級為I級沖擊耐久檢驗。
e. 碰撞:裝置能承受GB/T 14537-1993中4.3規定的嚴酷等級為I級碰撞檢驗。
7 保護定值整定范圍及誤差
a. 定值整定范圍
電 流: 0.1In~15In;
零序電流: 0.02A~12A;
交流電壓: 10V~100V;
延 時: 0s~100s。
b. 定值誤差
電 流: < ±5%;
電 壓: < ±5%;
零序電流: 0.02A~12A范圍不超過±0.01A或±5%;
延時誤差:0s~100s范圍內不超過50ms或±2%。
8 測量精度
a. 各模擬量的測量誤差不超過額定值的±0.5%;
b. 功率測量誤差不超過額定值的±1%;
c. 開關量輸入電壓(DC24V),分辨率不大于2ms;
d. 脈沖量輸入電壓(DC24V),脈沖寬度不小于20ms。
9 觸點容量
a. 在電壓不大于250V,電流不大于1A,時間常數為5ms±0.75ms的直流有感負荷電路中,觸點斷開容量為50W,長期允許通過電流不大于5A。
b. 在電壓不大于250V,電流不大于2A的交流回路(cosφ=0.4±0.1)中觸點斷開容量為250VA,長期允許通過電流不大于5A。
10KV微機廠用變、電容器保護實訓項目
微機廠用變保護實訓項目
1.啟動過長保護實驗
2.兩段式過電流保護實驗
3.過負荷保護實驗
4.反時限過流保護實驗
5.過熱保護實驗
6.兩段式負序電流保護實驗
7.零序電流保護實驗
8.過電壓保護實驗
9.低電壓保護實驗
10.差動速斷保護實驗
11.比率差動保護實驗
12.TA斷線檢測告警實驗
13.差流越限告警實驗
14.非電量保護實驗
15.TV斷線檢測告警實驗
16.控制回路異常告警實驗
17.跳位異常告警實驗
18.手車位置異常告警實驗
19.彈簧未儲能告警實驗
微機電容器實訓項目:
1.三段式過電流保護實驗
2.零序電流保護實驗
3.過電壓保護實驗
4.低電壓保護實驗
5.不平衡電流保護實驗
6.不平衡電壓保護實驗
7.非電量保護實驗
8.TV斷線檢測告警實驗
9.控制回路異常告警實驗
10.跳位異常告警實驗
11.手車位置異常告警實驗
12.彈簧未儲能告警實驗
3、10KV微機線路、電動機保護實訓屏詳細技術參數
屏體尺寸:800*600*2200mm 工業級柜體
微機線路保護技術參數( 工業級)
微機線路保護裝置技術參數:
1 額定數據
a. 額定電源電壓: 直流或交流220V或直流110V (訂貨及使用時區分規格)
b. 額定交流數據:
交流電壓: 100/√3V, 100V
交流電流: 5A或1A (訂貨及使用時區分規格)
零序電流: 1A
額定頻率: 50Hz
c. 熱穩定性:
交流電壓回路:長期運行 1.2Un
交流電流回路:長期運行 2In
1s 40In
零序電流回路:長期運行 2A
1s 40A
2 裝置功耗
a. 交流電壓回路: 每相不大于0.5VA;
b. 交流電流回路: In=5A時每相不大于1VA;
In=1A時每相不大于0.5VA;
c. 零序電流回路: 不大于0.5VA;
d. 保護電源回路: 正常工作時,不大于12W;保護動作時,不大于15W。
環境條件
a. 環境溫度:
工作: -25℃~+55℃。
儲存: -25℃~+70℃,相對濕度不大于80%,周圍空氣中不含有酸性、堿性或其它腐蝕性及爆炸性氣體的防雨、防雪的室內;在極限值下不施加激勵量,裝置不出現不可逆轉的變化,溫度恢復后,裝置應能正常工作。
b. 相對濕度:最濕月的月平均最大相對濕度為90%,同時該月的月平均最低溫度為25℃且表面不凝露。最高溫度為+40℃時,平均最大濕度不超過50%。
c. 大氣壓力:80kPa~110kPa(相對海拔高度2km以下)。
抗干擾性能
a. 脈沖群干擾試驗:能承受GB/T14598.13-1998規定的頻率為1MHz及100kHz衰減振蕩波(第一半波電壓幅值共模為2.5kV,差模為1kV)脈沖群干擾試驗。
b. 快速瞬變干擾試驗:能承受GB/T14598.10-2007第四章規定的嚴酷等級為A級的快速瞬變干擾試驗。
c. 輻射電磁場干擾試驗:能承受GB/T14598.9-2002第四章規定的嚴酷等級的輻射電磁場干擾試驗。
d. 靜電放電試驗:能承受GB/T14598.14-1998中4.1規定的嚴酷等級為Ⅲ級的靜電放電試驗。
e. 電磁發射試驗:能承受GB/T14598.16-2002中4.1規定的傳導發射限值及4.2規定的輻射發射限值的電磁發射試驗。
f. 工頻磁場抗擾度試驗:能承受GB/T17626.8-2006第5章規定的嚴酷等級為Ⅳ級的工頻磁場抗擾度試驗。
g. 脈沖磁場抗擾度試驗:能承受GB/T17626.9-1998第5章規定的嚴酷等級為Ⅳ級的脈沖磁場抗擾度試驗。
h. 阻尼振蕩磁場抗擾度試驗:能承受GB/T17626.10-1998第5章規定的嚴酷等級為Ⅳ級的阻尼振蕩磁場抗擾度試驗。
i. 浪涌抗擾度試驗:能承受IEC 60255-22-5:2002第4章規定的嚴酷等級的浪涌抗擾度試驗。
j. 傳導騷擾的抗擾度試驗:能承受IEC 60255-22-6:2001第4章規定的射頻場感應的傳導騷擾的抗擾度試驗。
k. 工頻抗擾度試驗:能承受IEC 60255-22-7:2003第4章規定的工頻抗擾度試驗。
5絕緣性能
a. 絕緣電阻:各帶電的導電電路分別對地(即外殼或外露的非帶電金屬零件)之間,交流回路和直流回路之間,交流電流回路和交流電壓回路之間,用開路電壓為500V的測試儀器測試其絕緣電阻值不應小于100MΩ。
b. 介質強度:裝置通信回路和24V等弱電輸入輸出端子對地能承受50Hz、500V(有效值)的交流電壓,歷時1min的檢驗無擊穿或閃絡現象;其余各帶電的導電電路分別對地(即外殼或外露的非帶電金屬零件)之間,交流回路和直流回路之間,交流電流回路和交流電壓回路之間,能承受50Hz、2kV(有效值)的交流電壓,歷時1min的檢驗無擊穿或閃絡現象。
c. 沖擊電壓:裝置通信回路和24V等弱電輸入輸出端子對地,能承受1kV(峰值)的標準雷電波沖擊檢驗;其余各帶電的導電端子分別對地,交流回路和直流回路之間,交流電流回路和交流電壓回路之間,能承受5kV(峰值)的標準雷電波沖擊檢驗。
6 機械性能
a. 振動響應:裝置能承受GB/T 11287-2000中4.2.1規定的嚴酷等級為I級振動響應檢驗。
b. 沖擊響應:裝置能承受GB/T 14537-1993中4.2.1規定的嚴酷等級為I級沖擊響應檢驗。
c. 振動耐久:裝置能承受GB/T 11287-2000中4.2.2規定的嚴酷等級為I級振動耐久檢驗。
d. 沖擊耐久:裝置能承受GB/T 14537-1993中4.2.2規定的嚴酷等級為I級沖擊耐久檢驗。
e. 碰撞:裝置能承受GB/T 14537-1993中4.3規定的嚴酷等級為I級碰撞檢驗。
7 保護定值整定范圍及誤差
a. 定值整定范圍
電 流: 0.1In~15In;
零序電流: 0.02A~12A;
交流電壓: 10V~100V;
延 時: 0s~100s。
b. 定值誤差
電 流: < ±5%;
電 壓: < ±5%;
零序電流: 0.02A~12A范圍不超過±0.01A或±5%;
延時誤差:0s~100s范圍內不超過50ms或±2%。
測量精度
a. 各模擬量的測量誤差不超過額定值的±0.5%;
b. 功率測量誤差不超過額定值的±1%;
c. 開關量輸入電壓(DC24V),分辨率不大于2ms;
d. 脈沖量輸入電壓(DC24V),脈沖寬度不小于20ms。
觸點容量
a. 在電壓不大于250V,電流不大于1A,時間常數為5ms±0.75ms的直流有感負荷電路中,觸點斷開容量為50W,長期允許通過電流不大于5A。
b. 在電壓不大于250V,電流不大于2A的交流回路(cosφ=0.4±0.1)中觸點斷開容量為250VA,長期允許通過電流不大于5A。
微機電動機保護技術參數( 工業級)
微機電動機保護裝置技術參數:
1 額定數據
a. 額定電源電壓: 直流或交流220V或直流110V (訂貨及使用時區分規格)
b. 額定交流數據:
交流電壓: 100/√3V, 100V
交流電流: 5A或1A (訂貨及使用時區分規格)
零序電流: 1A
額定頻率: 50Hz
c. 熱穩定性:
交流電壓回路:長期運行 1.2Un
交流電流回路:長期運行 2In
1s 40In
零序電流回路:長期運行 2A
1s 40A
2 裝置功耗
a. 交流電壓回路: 每相不大于0.5VA;
b. 交流電流回路: In=5A時每相不大于1VA;
In=1A時每相不大于0.5VA;
c. 零序電流回路: 不大于0.5VA;
d. 保護電源回路: 正常工作時,不大于12W;保護動作時,不大于15W。
3 環境條件
a. 環境溫度:
工作: -25℃~+55℃。
儲存: -25℃~+70℃,相對濕度不大于80%,周圍空氣中不含有酸性、堿性或其它腐蝕性及爆炸性氣體的防雨、防雪的室內;在極限值下不施加激勵量,裝置不出現不可逆轉的變化,溫度恢復后,裝置應能正常工作。
b. 相對濕度:最濕月的月平均最大相對濕度為90%,同時該月的月平均最低溫度為25℃且表面不凝露。最高溫度為+40℃時,平均最大濕度不超過50%。
c. 大氣壓力:80kPa~110kPa(相對海拔高度2km以下)。
4 抗干擾性能
a. 脈沖群干擾試驗:能承受GB/T14598.13-1998規定的頻率為1MHz及100kHz衰減振蕩波(第一半波電壓幅值共模為2.5kV,差模為1kV)脈沖群干擾試驗。
b. 快速瞬變干擾試驗:能承受GB/T14598.10-2007第四章規定的嚴酷等級為A級的快速瞬變干擾試驗。
c. 輻射電磁場干擾試驗:能承受GB/T14598.9-2002第四章規定的嚴酷等級的輻射電磁場干擾試驗。
d. 靜電放電試驗:能承受GB/T14598.14-1998中4.1規定的嚴酷等級為Ⅲ級的靜電放電試驗。
e. 電磁發射試驗:能承受GB/T14598.16-2002中4.1規定的傳導發射限值及4.2規定的輻射發射限值的電磁發射試驗。
f. 工頻磁場抗擾度試驗:能承受GB/T17626.8-2006第5章規定的嚴酷等級為Ⅳ級的工頻磁場抗擾度試驗。
g. 脈沖磁場抗擾度試驗:能承受GB/T17626.9-1998第5章規定的嚴酷等級為Ⅳ級的脈沖磁場抗擾度試驗。
h. 阻尼振蕩磁場抗擾度試驗:能承受GB/T17626.10-1998第5章規定的嚴酷等級為Ⅳ級的阻尼振蕩磁場抗擾度試驗。
i. 浪涌抗擾度試驗:能承受IEC 60255-22-5:2002第4章規定的嚴酷等級的浪涌抗擾度試驗。
j. 傳導騷擾的抗擾度試驗:能承受IEC 60255-22-6:2001第4章規定的射頻場感應的傳導騷擾的抗擾度試驗。
k. 工頻抗擾度試驗:能承受IEC 60255-22-7:2003第4章規定的工頻抗擾度試驗。
5 絕緣性能
a. 絕緣電阻:各帶電的導電電路分別對地(即外殼或外露的非帶電金屬零件)之間,交流回路和直流回路之間,交流電流回路和交流電壓回路之間,用開路電壓為500V的測試儀器測試其絕緣電阻值不應小于100MΩ。
b. 介質強度:裝置通信回路和24V等弱電輸入輸出端子對地能承受50Hz、500V(有效值)的交流電壓,歷時1min的檢驗無擊穿或閃絡現象;其余各帶電的導電電路分別對地(即外殼或外露的非帶電金屬零件)之間,交流回路和直流回路之間,交流電流回路和交流電壓回路之間,能承受50Hz、2kV(有效值)的交流電壓,歷時1min的檢驗無擊穿或閃絡現象。
c. 沖擊電壓:裝置通信回路和24V等弱電輸入輸出端子對地,能承受1kV(峰值)的標準雷電波沖擊檢驗;其余各帶電的導電端子分別對地,交流回路和直流回路之間,交流電流回路和交流電壓回路之間,能承受5kV(峰值)的標準雷電波沖擊檢驗。
6 機械性能
a. 振動響應:裝置能承受GB/T 11287-2000中4.2.1規定的嚴酷等級為I級振動響應檢驗。
b. 沖擊響應:裝置能承受GB/T 14537-1993中4.2.1規定的嚴酷等級為I級沖擊響應檢驗。
c. 振動耐久:裝置能承受GB/T 11287-2000中4.2.2規定的嚴酷等級為I級振動耐久檢驗。
d. 沖擊耐久:裝置能承受GB/T 14537-1993中4.2.2規定的嚴酷等級為I級沖擊耐久檢驗。
e. 碰撞:裝置能承受GB/T 14537-1993中4.3規定的嚴酷等級為I級碰撞檢驗。
7 保護定值整定范圍及誤差
a. 定值整定范圍
電 流: 0.1In~15In;
零序電流: 0.02A~12A;
交流電壓: 10V~100V;
延 時: 0s~100s。
b. 定值誤差
電 流: < ±5%;
電 壓: < ±5%;
零序電流: 0.02A~12A范圍不超過±0.01A或±5%;
延時誤差:0s~100s范圍內不超過50ms或±2%。
8 測量精度
a. 各模擬量的測量誤差不超過額定值的±0.5%;
b. 功率測量誤差不超過額定值的±1%;
c. 開關量輸入電壓(DC24V),分辨率不大于2ms;
d. 脈沖量輸入電壓(DC24V),脈沖寬度不小于20ms。
9 觸點容量
a. 在電壓不大于250V,電流不大于1A,時間常數為5ms±0.75ms的直流有感負荷電路中,觸點斷開容量為50W,長期允許通過電流不大于5A。
b. 在電壓不大于250V,電流不大于2A的交流回路(cosφ=0.4±0.1)中觸點斷開容量為250VA,長期允許通過電流不大于5A。
10KV微機線路、電動機保護實訓項目
微機線路實訓項目:
1.三段式帶低壓閉鎖的電流方向保護實驗
2.過流加速保護實驗(前加速/后加速)
3.過負荷保護實驗(跳閘/告警可選)
4.零序電流保護實驗(跳閘/告警可選)
5.低電壓保護實驗
6.低頻減載保護實驗
7.三相一次重合閘實驗
8.母線TV斷線檢測告警實驗
9.線路TV斷線檢測告警實驗
10.控制回路異常告警實驗
11.跳位異常告警實驗
12.手車位置異常告警實驗
13.彈簧未儲能告警實驗
微機電動機保護實訓項目:
1.啟動過長保護實驗
2.兩段式過電流保護實驗
3.過負荷保護實驗
4.反時限過流保護實驗
5.過熱保護實驗
6.兩段式負序電流保護實驗
7.零序電流保護實驗
8.過電壓保護實驗
9.低電壓保護實驗
10.差動速斷保護實驗
11.比率差動保護實驗
12.TA斷線檢測告警實驗
13.差流越限告警實驗
14.非電量保護實驗
15.TV斷線檢測告警實驗
16.控制回路異常告警實驗
17.跳位異常告警實驗
18.手車位置異常告警實驗
19.彈簧未儲能告警實驗
5、10KV真空斷路器柜詳細技術參數 (手車式)
柜體尺寸:2200*800*1500mm 工業級柜體
(一)、使用環境
1、環境溫度:-15℃~+40℃,日平均值不大于+35℃。
2、環境濕度
日平均相對濕度:≤95%;月平均相對濕度:≤90%;
3、海拔高度:不超過1000m。地震烈度:不超過8度。
4、安裝在沒有火災、爆炸危險,嚴重污穢化學腐蝕及劇烈震動的場所。
(二)、基本技術參數
1、供電電源:三相五線供電;功率:3kw。
2、額定電壓:12KV;額定頻率:50Hz;
3、額定雷電沖擊耐受電壓:75KV(峰值);
4、額定一分鐘工頻耐受電壓:42KV(有效值);
5、額定操作順序:O-0.3-CO-180s-CO (40KA為O-180s-CO-180s-CO);
6、主母線額定電流:630A;
7、額定短路開斷電流:25KA;額定短路關合電流:630KA(峰值);
8、額定短路持續時間:4s;開斷次數:50次;
9、機械壽命:20000次。
10、柜體尺寸:2200×800×1500(高×寬×深)。
(三)、斷路器機械特性參數
1、觸頭開距:11±1mm; 2、觸頭超行距:3.5±0.5mm;
3、三級份、合閘不同期性:≤2ms;
4、觸頭合閘彈跳時間:≤2ms;
5、平均分閘速度:0.9-1.3m/s(初分6mm時平均速度);
6、平均合閘速度:0.4~0.8 m/s; 7、合閘時間:≤100ms;
8、分閘時間:≤50ms;9、燃弧時間:≤15ms;
(四)、脫扣器與閉鎖電磁鐵的技術參數
1、分閘脫扣器額定電壓:-220V、110V;功率:245W。
2、合閘脫扣器額定電壓:-220V、110V;功率:245W。
3、閉鎖電磁鐵額定電壓:-220V、110V;功率:10W
4、過電流脫扣器功率:5AW。
(五)、儲能電機技術參數
額定電壓-220V、-110V;功率:50W;儲能時間:≤10m;
(六)、實訓項目
手動和遙控合分斷路器實訓
二次控制回路原理實訓
操作機構原理實訓
斷路器拆裝實訓
倒閘操作實訓
二次控制回路接線實訓。
6、10KV CT/ PT計量柜詳細技術參數
柜體尺寸:2200*800*1000mm 工業級柜體
(一)、使用環境
1、海拔高度不超過3000M;
2、周圍環境溫度不高于+40℃,不低于-5℃;
3、周圍空氣的相對溫度不大于85%(20℃);
4、安裝在無腐蝕性氣體的場所。
(二)、技術參數
1、供電電源:三相五線供電;功率:3kw;
2、產品標準 :GB1207-2006;
3、產品表面爬電距離:滿足耳機污穢等級;
4、負荷功率因數:COSφ=0.8(滯后);
5、額定電壓比: ;
6、級次組合為0.2/6P,準確等級及輸出容量為75VA;
級次組合為0.5/6P,準確等級及輸出容量為150VA;
7、剩余電壓繞組:100;
8、熱極限輸出容量:960VA。
(三)、實訓項目
電流互感器特性測試實訓(直流法、交流法)
電壓互感器特性測試實訓
電流互感器接線實訓
電壓互感器接線實訓、
電壓互感器精度測量實訓
電流互感器精度測量實訓。
7、低壓配電開關柜詳細技術參數
柜體尺寸:2200*800*800mm 工業級柜體
(一)、使用環境
1、應用場合:配電、電動機控制。
2、執行標準:IEC60439\GB7251.1;
3、環境溫度:-5℃~+40℃;
4、環境相對溫度+40℃時不超過50%,在較低溫度時,允許有較高的相對溫度;
5、安裝地點:室內;
6、海拔高度:≤2000m。
(二)、機械數據
1、進出線形式:電纜/母線槽。
2、電纜進出:頂部/底部;
3、接線形式:柜前/柜后;
4、防護等級:IP330、IP40、IP54;
5、功能單元隔離形式:全隔離或部分隔離;
(三)、水平母線
1、額定短時耐受電流:50/80kA;
2、額定峰值耐受電流:105/176kA。
(四)、垂直母線
1、額定短時耐受電流:50kA;
2、額定峰值耐受電流:105kA。
(五)、接地系統:TT、IT、TN-S、TN-C-S。
(六)、最大進出線斷路:400A。
(七)、電氣數據
1、供電電源:三相五線供電;功率:3kw。
2、額定絕緣電壓:至1000V;
3、額定工作電壓:至660V;
4、額定功率:50\60Hz;
5、額定沖擊耐受電壓:8KV;
6、主電路額定電壓:AC380V、220V/DC220V
7、過電壓等級:III;
8、污染等級:3;9、額定電流:4000A;
10、水平母線額定電流: 4000A;
11、垂直母線額定電流:2000、1000A
(八)實訓項目
主電氣原理圖實訓
低壓斷路器工作原理實訓
運行操作實訓
檢修與保養實訓
故障分析與排除實訓
8、低壓電容補償柜
柜體尺寸:2200*800*800mm 工業級柜體
(一)、使用環境
1、環境溫度:-25℃~+55℃;
2、空氣相對濕度:溫度為25℃ 時,相對濕度短時可達100%;
3、海拔高度:≤2000m;
4、不適于安裝在劇烈震動、沖擊、腐蝕、合諧波過大的場所。
(二)、技術參數
1、供電電源:三相五線供電;功率:3kw;
2、額定電壓:380V;額定頻率:50Hz;
3、工作電壓允許偏移:-20%~+20%;
4、額定輸入電壓模擬量:220V/380V、50Hz;
5、額定輸入電流模擬量:5A、50Hz;
6、控制物理量:無功功率。
(三)、實訓項目
自動無功功率補償實驗
手動無功功率補償實驗
無功補償裝置參數整定實驗
電壓無功控制實驗
分接頭調節和電容器投切對電壓和無功影響實驗。
9、抽屜式低壓配電柜詳細技術參數
柜體尺寸:2200*800*800mm 工業級柜體
(一)、使用環境
1、應用場合:配電、電動機控制。
2、執行標準:IEC60439\GB7251.1;
3、環境溫度:-5℃~+40℃;
4、環境相對溫度+40℃時不超過50%,在較低溫度時,允許有較高的相對溫度;
5、安裝地點:室內;
6、海拔高度:≤2000m。
(二)、機械數據
1、進出線形式:電纜/母線槽。
2、電纜進出:頂部/底部;
3、接線形式:柜前/柜后;
4、防護等級:IP330、IP40、IP54;
5、功能單元隔離形式:全隔離或部分隔離;
(三)、水平母線
1、額定短時耐受電流:50/80kA;
2、額定峰值耐受電流:105/176kA。
(四)、垂直母線
1、額定短時耐受電流:50kA;
2、額定峰值耐受電流:105kA。
(五)、接地系統:TT、IT、TN-S、TN-C-S。
(六)、最大進出線斷路:400A。
(七)、電氣數據
1、供電電源:三相五線供電;功率:3kw。
2、額定絕緣電壓:至1000V;
3、額定工作電壓:至660V;
4、額定功率:50\60Hz;
5、額定沖擊耐受電壓:8KV;
6、主電路額定電壓:AC380V、220V/DC220V
7、過電壓等級:III;
8、污染等級:3;9、額定電流:4000A;
10、水平母線額定電流: 4000A;
11、垂直母線額定電流:2000、1000A
(八)實訓項目
主電氣原理圖實訓
進口低壓斷路器工作原理實訓
運行操作實訓
檢修與保養實訓
故障分析與排除實訓
一次二次接線實訓。
10、低壓負載柜詳細技術參數
柜體尺寸:2200*800*800mm 工業級柜體
(一)、使用環境
1、環境溫度:-25℃~+55℃;
2、空氣相對濕度:溫度為25℃ 時,相對濕度短時可達100%;
3、海拔高度:≤2000m;
4、不適于安裝在劇烈震動、沖擊、腐蝕、合諧波過大的場所。
(二)、技術參數
1.供電電源:三相五線供電;功率:10kw。
2.額定絕緣電壓:至1000V;
3.額定工作電壓:至660V;
4.額定功率:50/60Hz;
5.額定沖擊耐受電壓:1KV;
6.主電路額定電壓:AC380V/220V
7.過電壓等級:III;
8.污染等級:3;
9.額定電流:400A;
10.水平母線額定電流: 400A;
(三)實驗項目:
模擬阻性、容性、感性負載
有功/無功設備的投退
配合無功補償柜進行無功補償實驗
就地無功補償實訓
功率因數表接線實驗
11、模擬故障發生器、模擬高壓斷路器柜詳細技術參數
柜體尺寸:600*700*1200mm(一)、使用環境
1、環境溫度:-25℃~+55℃;
2、空氣相對濕度:溫度為25℃ 時,相對濕度短時可達100%;
3、海拔高度:≤2000m;
4、不適于安裝在劇烈震動、沖擊、腐蝕、合諧波過大的場所。
(二)、技術參數
1、供電電源:三相五線供電;功率:3kw;
2、額定電壓:380V;額定頻率:50Hz;
3、工作電壓允許偏移:-20%~+20%;
4、額定輸入電壓模擬量:380V、50Hz;
5、額定輸入電流模擬量:5A、50Hz;
6、控制物理量:無功功率。
(三)實驗項目:
1、輸出模擬的各種電流、電壓故障信號
2、模擬高壓斷路器的合、分閘動作信號
(四)設備配置:
1、微型斷路器DZ47-63/C10A/3P:1個
2、交流接觸器CJX1-16A/AC220V:1個
3、中間繼電器JZC1-44/AC220V: 1個
4、單相調壓器TDGC2-200:10個
5、單相調壓器TDGC2-500:1個
6、單相整流橋60A:1個
7、單相濾波電容1500uf: 1個
8、升流器:6個
9、數顯電壓表、電流表:9個
12、微機繼電保護測試儀詳細技術參數
(一)技術指標1、四相交流電壓輸出 0-120VA/A相
2、三相交流電流輸出 0-40A 450VA/A相
3、直流電壓輸出 0-250V 100VA
4、直流電流輸出 0-20A 100VA/相
5、輔助電流電壓輸出 220V 100VA
6、時間測量 0.0001-9999.999S
7、諧波疊加 直流至20次諧波
8、輸出頻率范圍 0-1000HZ
9、輸出精度 《0.1%
10、對開入量 空接點或DC0-250V
11、四對開入量 DC250V,2A
12、工作電源 AC175-250V 45-65HZ
13、外形尺寸 220mm(w)*170mm(h)*300mm(d)
14、裝置重量 11.8KG
(二)功能特點
1、內置高配置工控機,進口真彩液晶屏,測試無需外接任何輔助設備
2、自帶優化鍵盤及滾球鼠標,真正實現單機一體化
3、配有USB接口,輕松外掛優盤,打印機等多種設備
4、配有100M高速網口,隨時可介入INTERNET遠程升級,接入局域網資源共享
5、具有可靠的過熱,過流,過壓及短路自我保護功能
6、采用當前最新的電力電子技術,抗干擾能力強,輸出精度高
7、開入點無極性,空接點和5-250V帶電位節點自動識別
8、WindowsXP操作平臺OFFICE辦公軟件,40G硬盤,儼然是一臺高性能電腦
9、軟件界面有好,功能齊全,輕松完成各電壓等級繼電保護校驗工作
10、配有精度調整菜單,用戶可自行調整誤差值
11、具備錄波分析功能,并可將波形存儲,跟給直觀的分析故障特性
12、試驗參數自由存儲,調用,避免了多次重復輸入參數,節省了校驗時間
13、實驗報告為WORD格式文檔,可在儀器內部進行編輯,整理,打印
14、可根據用戶要求定制測試模塊,軟件終身免費升級
(三)測試菜單
1、程控電源菜單:可在線調整各電壓電流的幅值、相位及頻率;可同步顯示矢量圖、正序、負序、零序及線電壓的大小;可完成多種保護的校驗,得出動作時間及返回時間。
2、電流保護試驗菜單:可完成對正序、負序、零序及普通交直流電流繼電器及微機過流保護裝置動作值、返回值、返回系數、動作時間、返回時間的測試,并可設置輔助交直流電壓,進行方向判別。
3、電壓保護試驗菜單:可完成對正序、負序及普通交直流過壓、欠壓繼電器的動作值、返回值、返回系數、動作時間、返回時間的測試。
4、時間繼電器菜單:可完成對交直流時間繼電器的動作電壓、返回電壓和動作時間的測試。
5、中間繼電器菜單:可一次性完成對交直流中間繼電器,中間繼電器動作值、返回值、返回系數、動作時間、返回時間及保持值的測試。啟動方式及保持類型可設置。
6、反時限特性菜單:可完成對電流反時限I-T、電壓反時限U-T、頻率反時限f-T、過激磁U*/f*-T特性的測試,并繪制出特性曲線
7、功率方向保護試驗菜單:可完成相間功率方向、負序及零序功率方向微機保護、繼電器的校驗。測試項目包括動作區及最大靈敏角的測試、最小動作電壓的測試、最小動作電流的測試。
8、阻抗保護試驗菜單:可完成各阻抗特性的邊界動作值,動作時間測試并打繪制出阻抗特性曲線。
9、精工電流試驗菜單:可一次性完成阻抗繼電器的Z/I特性曲線測試
10、差動保護試驗菜單:可完成對差動保護比率制動特性曲線、諧波制動系數及直流助磁特性的測試。測試項目又分為邊界搜索和定點測試,搜索方法分為按定值相對值搜索、按定值絕對值搜索、按步進值搜索。
11、計量儀表校驗菜單:可完成對電壓、電流、功率、功率因數等測量表計的校驗,通過PT、CT變比的設置,同步顯示一次、二次各參數值。
12、低頻保護試驗菜單:可完成對低周減載或低周低壓解列裝置低頻動作值、動作時間、電壓變化率閉鎖值、頻率變化率閉鎖、低電壓閉鎖值及低電流閉鎖值的測試
13、同期裝置測試菜單:可完成同期裝置的合閘壓差、合閘頻差、合閘導前角度及恒定導前時間的測試,還可完成自動準同期裝置的自動調整試驗。
14、疊加諧波試驗菜單:可同時對各相疊加直流、2-14諧波,并且各次諧波可同時在線按給定步長值調整。
15、零序保護試驗菜單:可一次性自動完成對零序各段的定值及重合閘時間的校驗,也可分段進行測試。可對重合閘進行檢同期測試。
16、距離保護試驗菜單:可完成接地故障和相間故障保護各段定值的校驗及整組時間階梯特性的測試。可對重合閘進行檢同期測試。
17、工頻變化量距離保護試驗菜單:可對以工頻變化量阻抗繼電器為核心的距離保護進行校驗,可對重合閘進行檢同期測試。
18、功率振蕩試驗菜單:可對失步保護、振蕩解列裝置進行試驗,并可模擬振蕩中故障試驗,完成對保護裝置在振蕩中發生故障時的校驗。還可測試發生振蕩時對距離保護的影響
19、故障再現菜單:可將故障錄波器記錄的故障錄波數據進行再現,并可對錄波的數據進行有選擇的復制或刪除。
13、模擬高壓變壓器詳細技術參數
尺寸:700*1200*1100mm
(一)、使用環境
1、環境溫度:-25℃~+55℃;
2、空氣相對濕度:溫度為25℃ 時,相對濕度短時可達100%;
3、海拔高度:≤2000m;
4、不適于安裝在劇烈震動、沖擊、腐蝕、合諧波過大的場所。
(二)、技術參數
1、供電電源:三相四線供電;功率:5kw;
2、額定電壓:380V;額定頻率:50Hz;
3、工作電壓允許偏移:-20%~+20%;
4、額定輸入電壓模擬量:380V、50Hz;
5、額定輸入電流模擬量:10A、50Hz;
6、總重:150KG 接線方式:Δ∕Y
14、配置清單
| 序號 | 名稱 | 數量 | 產地 |
| 1 | 微機監控主站系統 | 1 | 上海 |
| 2 | 監控系統電腦 | 1 | 上海 |
| 3 | 惠普彩色打印機 | 1 | 上海 |
| 4 | 10KV微機廠用變、電容器保護實訓屏 | 1 | 上海 |
| 5 | 10KV微機線路、電動機保護實訓屏 | 1 | 上海 |
| 6 | ATS控制柜 | 1 | 上海 |
| 7 |
10KV真空斷路器柜 (手車式) |
1 | 上海 |
|
8 |
10KV CT/PT計量柜 | 1 | 上海 |
|
9 |
低壓配電開關柜 | 1 | 上海 |
| 10 | 抽屜式低壓配電柜 | 1 | 上海 |
| 11 | 低壓電容補償柜 | 1 | 上海 |
| 12 | 低壓負載柜 | 1 | 上海 |
| 13 | 模擬故障發生器、模擬高壓斷路器柜 | 1 | 上海 |
| 14 | 微機繼電保護測試儀 | 1 | 上海 |
| 15 | 模擬高壓變壓器 | 1 | 上海 |
本文鏈接:http://m.hrzsj.comhttp://m.hrzsj.com/gpd/800.html
文章來源:m.hrzsj.com??? ?編輯:中人教儀廠??? ?時間:2019-03-20 16:36
常見問題:
1、如果我要購買10KV工廠供配電實驗室設備、通220V電供配電技術實訓裝置,是否有安裝、培訓服務呢?
答:我們的設備如果沒有特別注明“不含安裝”“裸機價”“出廠”等字樣的,都是提供安裝、培訓服務的。
2、你們的10KV工廠供配電實驗室設備、通220V電供配電技術實訓裝置是否能開增值稅專用發票?
答:可以的,我們是正規企業,并且已經升級到一般納稅人,可以開具增值稅專用發票,如果您需要開10KV工廠供配電實驗室設備、通220V電供配電技術實訓裝置的發票,您需要提供開票資料。
3、你們的產品都是自己生產的嗎?都有什么產品資質?
答:我們公司是專業生產教學設備的企業,完全自主生產,并通過了最新版ISO9001認證,擁有多項專利與著作權。
* 表示必填采購:10KV工廠供配電實驗室設備










